DPLS-I雙向拉繩開關KBW-220L防爆拉繩開關
由于產品型號眾多,我司各種電氣規格型號齊全,有任何需求可以與我公司銷售人員聯系,生產各種規格型號的跑偏開關、拉繩開關、傾斜開關、打滑開關、失速開關、溜槽堵塞開關、聲光報警器、限位開關、磁性開關、撕裂開關、料流開關等產品,產品適用范圍廣,用途多,產品銷售國內外100多個國家和地區,銷售電話:15163766288(微信同號)
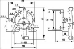
(Two-way pull rope switch)拉繩開關廣泛用于鋼鐵、水泥、電廠、礦山等具有帶式輸送機的廠礦,雙向拉繩開關產品出廠時開關觸點數量為一開一閉,如需兩常開、兩常閉,請定貨時注明; 安裝支架,塑鋼絲繩、卡頭、托環等附件用戶可向我公司成套訂購,雙向拉繩開關主要應用在冶金、電力、煤巖、礦山及化工等行業的輸送系統中,雙向拉繩開關是輸送機自動化控制不可缺少的傳感元件,本產品是一種膠帶運輸機現場緊急事故停機的保護裝置。本產品選用優質鋁錠合金精密壓鑄,并采用進口行程開關。雙向拉繩開關具有強度高,重量輕,密封性好,產品使用壽命長等優點。,該產品安裝在膠帶輸送機兩側,是用于膠帶輸送機緊急事故停機的一種保護開關,在開關操作距離內任何一點拉動鋼絲繩,切斷運行電路使全線停機,實現對膠帶機及人身安全的保護。
本公司承諾:誠信待人,我們是生產廠家,做的是批發生意,均以zui低出廠家報價,沒有暴利。低價位,高品質。1年品質保證。
HFKLT2-2、KLT2-2、YHLS-L、FKLT2-Z、FKLT2-Y
雙向平衡拉繩開關
產品型號:DPLS-I

所屬類別:雙向拉繩開關 > 拉繩開關
已獲點擊:145

詳細說明
DPLS-Ⅱ雙向平衡拉繩開關、急停開關
●開關平衡的安裝在機架的固定支架上。
DPLS-I雙向拉繩開關
DPLS-I雙向拉繩開關、DPLS-Ⅱ雙向平衡拉繩開關、急停開關
使用環境條件:●當膠帶輸送現場發生緊急事故時,可拉動系在吊耳上的鋼絲繩,使機內的滑塊與開關的作用,發出停機信號。
概述:
●手動型開關帶自銷,在故障排除后提上限位桿方能復位。
XLLS-II、DLS-I、DLS-II、DPLS-I、DPLS-II、
●將鋼絲繩系在兩端的拉環上,每側繩不超過40m(有坡度時因當縮短)。山東圖爾克公司是以品質獲得信任的砝碼,是競爭致勝關鍵,是永無止境的追求,雙向拉繩開關產品出廠時開關觸點數量為一開一閉,如需兩常開、兩常閉,請定貨時注明; 安裝支架,塑鋼絲繩、卡頭、托環等附件用戶可向我公司成套訂購,雙向拉繩開關主要應用在冶金、電力、煤巖、礦山及化工等行業的輸送系統中,雙向拉繩開關是輸送機自動化控制不可缺少的傳感元件,本產品是一種膠帶運輸機現場緊急事故停機的保護裝置。本產品選用優質鋁錠合金精密壓鑄,并采用進口行程開關。雙向拉繩開關具有強度高,重量輕,密封性好,產品使用壽命長等優點。,價值和尊嚴的起點。重視合同,規范運作,確保質量,服務優質,信譽承諾。
發布時間:2018-07-26
物流:順豐速運、申通快遞、圓通快遞、中通快遞、天天快運、EMS郵政速運及全國公鐵聯運。
使用與安裝
產品名稱:DPLS-I雙向拉繩開關
![]() |



