XLLS-I雙向拉繩開關詳細參數及價格價格合理
由于產品型號眾多,我司各種電氣規格型號齊全,有任何需求可以與我公司銷售人員聯系,生產各種規格型號的跑偏開關、拉繩開關、傾斜開關、打滑開關、失速開關、溜槽堵塞開關、聲光報警器、限位開關、磁性開關、撕裂開關、料流開關等產品,產品適用范圍廣,用途多,產品銷售國內外100多個國家和地區,銷售電話:15163766288(微信同號)
保養和注意事項:
應用行業:
發布時間:2014-11-19
安裝方式:
3、本產品出廠前已調整完檢測角度,若需調整請確認微動開關動作是否正常

1、布線時使用外徑為8~12mm的電纜 品牌/商標:MCTUERCK
詳細說明 4、拉繩開關控制桿若附著大量的灰塵或者凝固是要及時清理
XLLS-I雙向拉繩開關為自動復位型拉繩開關。防護等級達到IP67,能完全防止粉塵的進入和水流侵蝕。開關安裝于皮帶輸送機兩側,用鋼絲繩把開關連接起來。當輸送帶設備發生緊急事故時,在現場沿線任意處拉動鋼絲繩,鋼絲繩牽動驅動臂旋轉,通過傳動軸帶動扭力彈簧使精密凸輪發生位移,驅動微動開關切斷控制線路,輸送機停止運行。松開鋼絲繩,開關觸點自動恢復到原始設定位置。 拉繩開關應安裝在輸送機兩邊具有檢修通道的地方,安裝位置應確保檢修人員在緊急情況下操作方便。 1、將拉繩開關固定在安裝支架上。 XLLS-I自動復位型拉繩開關廣泛用于冶金、煤炭、水泥、采礦、電力、港埠、化工等領域的各種專門從事散料輸送的輸送設備。如常規皮帶輸送機 ,雙向拉繩開關工作原理:當膠帶運輸機現場緊急事故時,在沿線任意位置牽動系在掛耳上的鋼絲繩,迫使機內凸輪轉動而驅動元件開關動作,發出停機信號,達到停機效果,防止事故的擴大。雙向拉繩開關用途,BLKT-II雙向拉繩開關主要用于常規皮帶輸送機、梭式輸送機、裙邊式給料輸送機、斗式提升機,包裝生產線、堆料/取料系統,起重機、挖掘機、輪船裝卸系統、水平給料機等設備現場緊急事故停車的一種保護裝置。當緊急事故發生時,在現場沿線任意處拉動拉繩開關,均可發出停機信號,實現對人身及設備的保護作用。,往復式輸送機 ,群邊式給料輸送機 ,斗式輸送機 ,包裝生產線 ,堆料/取料系統,起重機,挖掘機,輪船裝卸系統 ,拉繩開關是一種開關型傳感器(即無觸點行程開關),主要用于常規皮帶輸送機、梭式輸送機、裙邊式給料輸送機、斗式提升機,包裝生產線、堆料/取料系統,起重機、挖掘機、輪船裝卸系統、水平給料機等設備現場緊急事故停車的一種保護裝置。當緊急事故發生時,在現場沿線任意處拉動拉繩開關,均可發出停機信號,實現對人身及設備的保護作用。因為它既有行程開關、微動開關的特性,同時又具有傳感性能,并且動作可靠、性能穩定、頻率響應快、使用壽命長、抗干憂能力強、防水、防震、耐腐蝕等特點。廣泛應用于機械、礦山、紡織、印刷、化工、冶金、輕工、閥門、電力、保安、鐵路、交通、水泥、港口碼頭等行業使用的帶式輸送機輸送系統中。,水平給料機等. 2、一側的兩臺開關之間距離為40m左右,采用直徑為Φ4的包塑鋼絲繩連接,拉繩開關用于帶式輸送機發生事故時,能緊急停止輸送機的一種開關,當發生緊急事故或需要檢修而停機時,可于沿線任意位置拉動鋼絲繩,使輸送機停機。拉繩開關防護等級可達IP67,采用進口微動開關, “微動開關”達到100萬次,采用國際領先的國際結構避免了開關動作時傳動軸直接摩擦殼體或軸套,造成間隙增大,造成密封不嚴或卡死的情況,大幅延長拉繩開關使用壽命;傳動軸采不繡鋼材質強度高,表面光滑;殼體表面精工烤漆,不易脫落無異味;操作桿精鑄成型,避免焊接,內置銅質襯套,整體光潔強度高等等。雙向拉繩開關具有壽命長、靈活實用、安全可靠、檢修方便等特點。當維修人員沒有撒離或存在其它異常情況時,只要將雙向拉繩開關開關鎖定停機位置,就不用擔心膠帶機被誤啟動,維修人員的安全就有了保障。雙向拉繩開關表面經特殊處理后可用于酸、碘、鹽區域,鍍鎳表面用于強腐蝕區域。,松緊應適度。
(注:對于爬坡段輸送機機.應盡量縮短開關間距及拉繩長度。)
結構特點 產品型號:XLLS-II、DLX-K2/J、XLLS-I 3、為減小鋼絲繩自重對開關復位的影響,每隔2.5m在機架上裝一個托環,以支撐鋼絲繩。 4、鋼絲繩的另一端系在拉簧上(用繩扣固定),在不影響正常使用下用緊線器將兩側拉繩張緊,并確保兩側張力均衡。
已獲點擊:508
山東卓信公司拉繩開關采用國際領先的銅管技術結構使產品更加精密耐用,避免了開關動作時傳動軸直接摩擦殼體,造成間隙增大,出現密封不嚴或者卡死的情況,大幅延長開關使用壽命。
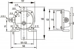
拉繩開關內部結構圖 此開關具有操作方便,不需要人為看管的特點。 
2、開關內裝有兩個微動開關,接線時確定所需要的端子
所屬類別:雙向拉繩開關 > 拉繩開關
![]() |








