山東卓信電氣LDM-X溜槽堵塞開關溜槽堵塞保護裝置質量優
由于產品型號眾多,我司各種電氣規格型號齊全,有任何需求可以與我公司銷售人員聯系,生產各種規格型號的跑偏開關、拉繩開關、傾斜開關、打滑開關、失速開關、溜槽堵塞開關、聲光報警器、限位開關、磁性開關、撕裂開關、料流開關等產品,產品適用范圍廣,用途多,產品銷售國內外100多個國家和地區,銷售電話:15163766288(微信同號)
詳細說明
已獲點擊:82
溜槽堵賽檢測裝置安裝在溜槽不受物料沖擊的側壁上,當溜槽內形成堵塞時,檢測器將發出報警、振打或停機信號,防止由物料堵塞溜槽而造成的惡性事故。
接點容量:AC380V10A
型號:LDM-G、LDM-X
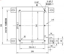
2. 選擇好安裝位置后開一個260mm×260mm方口,然后在開口處上方約100~200mm處溜槽內壁焊接一塊300×80×850(mm)擋板,本裝置安裝在溜槽側壁上,當物料在溜槽中形成堵塞狀態時,堆積的物料給溜槽側壁一個壓力,將本裝置的活動門向外推移,當活動門偏移角度等于或大于受控角度時,其控制開關動作,從而發出信號。當故障排除后,活動門在重錘作用下自動復位,溜槽堵塞保護裝置LDK-I適用于檢測膠帶輸送機運輸系統中的溜槽堵塞故障。當溜槽內形成堵塞時,檢測器將發生報警、振動或停機信號,防止由物料堵塞溜槽而造成的惡性事故。,以防大塊物料落下直接撞擊活動門而發生誤動作。
工作角度:≥7°
產品型號:LDM-X
所屬類別:溜槽堵塞開關 > 溜槽堵塞保護裝置
4.本裝置引出一條長1.5米左右的電纜線,按其芯線排號接線.1、2為常閉接點;1、3為常開接點。
接點數量:1常開1常閉
極限角度:30°
安裝與接線:
1. 該機應成對安裝在溜槽相對的兩個側壁上,一般安裝在溜槽底部向上三分之一處,作為輕堵塞信號檢測。底部向上三分之二處作為重堵塞信號檢測。
結構形式:門式,壓簧復位
堵塞保護開關LDM-G 3. 請將隨機配套的彈力橡膠板將開口完全覆蓋,封閉,將彎角件焊接在溜槽內壁上,然后用M12×25螺釘溜槽堵塞檢測裝置與彎角件固定好。 山東卓信電氣LDM-X溜槽堵塞開關 LDM-X型溜槽堵塞檢測器主要技術指標: 溜槽堵塞開關,優選地,所述溜槽保護裝置還包括與所述電感式接近開關電氣相 連的檢測電路。優選地,在所述檢測電路上設有一中間繼電器。本實用新型的另一個目的是提供一種包含溜槽堵塞保護裝置的 溜槽,其中,所述溜槽堵塞保護裝置包括設在溜槽表面的開口,對應 于所述開口且樞接至溜槽表面的擋板,設在所述溜槽表面的電感式接 近開關,設在所述擋板且與所述電感式接近開關對應的金屬感應件, 以及所述溜槽堵塞保護裝置設在溜槽的中上部位置。本實用新型的堵塞保護裝置采用了電感式接近開關,因此可以不 與物料直接接觸,避免了傳統堵料開關因沖擊、震動等原因損壞的情 況,并且,其動作靈敏、不需要長時間運轉,所以使得產品壽命相對 較長。,堵塞保護開關,帶式輸送機是在廠礦及港口作業中廣泛應用的 一種物料輸送設 備。帶式輸送機系統中兩條輸送機之間通常是通過管狀溜槽連通。在運行中,當溜槽出口因各種原因被堵塞時,物料會很快堵滿整 個溜槽甚至大量溢出。在溜槽的中上部位置安裝堵料保護裝置可以在 堵料事故發生的初期報警,并可自動觸發緊急停機,從而避免大量堵 料造成的輸送帶打滑、驅動電機過載等嚴重后果。通常,溜槽堵塞保護裝置采用電容式壓力傳感器來檢測堵料信 號。該溜槽堵塞開關包括安裝在溜槽側壁上的壓力傳感器,溜槽堵塞開關工作原理為當溜槽內壁受到擠壓時傳感器發生動作,該溜槽堵塞保護裝置向中控室發出報警停機信號。但是,在實際運行過程中,發現這種電容 式壓力傳感器型的溜槽堵塞保護裝置易受外界信號干擾,如物料沖 擊,當物料顆粒較大時易造成誤動作,從而引起設備停機。因此,有必要采用一種安全穩定性高的溜槽堵塞保護裝置,以克 服上述缺陷。實用新型內容本實用新型的目的是提供一種安全穩定性高的溜槽堵塞保護裝置。,LDM-X溜槽堵塞檢測器,溜槽檢測器生產廠家,溜槽堵塞器使用說明
LDM-X溜槽堵塞保護開關主要用途: 發布時間:2019-03-25 


![]() |









