耐腐蝕雙向拉繩開關HFKLT2-I、HFKLT2-II工廠直營
由于產品型號眾多,我司各種電氣規格型號齊全,有任何需求可以與我公司銷售人員聯系,生產各種規格型號的跑偏開關、拉繩開關、傾斜開關、打滑開關、失速開關、溜槽堵塞開關、聲光報警器、限位開關、磁性開關、撕裂開關、料流開關等產品,產品適用范圍廣,用途多,產品銷售國內外100多個國家和地區,銷售電話:15163766288(微信同號)
山東卓信電氣有限公司自產、自銷HFKLT2-I、HFKLT2-II耐腐蝕雙向拉繩開關。卓信物美價廉,是你不錯的選擇!
HFKLT2-I、HFKLT2-II耐腐蝕雙向拉繩開關
主要技術指標接點容量:AC380V 3A 環境溫度:-40-+60℃
絕緣電壓:AC1000V歷時1min 相對濕度:不大于90
使用壽命:10萬次 海拔高度:<4000m
接點形式:雙斷點(兩常開兩常閉) 動作角度15⪚ 極限角度75⪚
防護等級:IP65 重量:2kg
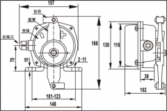
外型結構及安裝方式:


工作原理:HFKLT2-I、HFKLT2-II
HFKLT2雙向拉繩開關分I、II型兩種型號,I型動作后自動復位。II型動作后有自鎖裝置(鎖定銷),需要手動拉出復位后開關才能重新使用。本件為雙向動作,拉繩臂兩端均可安裝拉繩,當膠帶機運行出現故障需要停機時,現場工作人員拉動連接在拉繩上的拉繩,使轉臂轉過一定的角度,觸動工作開關后能同時發出警示和停機兩組信號,達到預防和控制設備及操作員的目的。
HFKLT2-I、HFKLT2-II
1、拉繩開關成對安裝在膠帶機左右兩側,拉繩開關安裝支架與膠帶機中間架用螺栓或采用固定,雙向拉繩開關動作可靠、性能穩定、頻率響應快、使用壽命長、抗干憂能力強、防水、防震、耐腐蝕等特點。,其位置應低于膠帶及便于現場工作人員使用,兩臺拉繩開關之間相距50m左右為宜。
2、拉繩系在一關臂上,拉繩推薦采用覆塑鋼絲繩,(或普通鋼線繩1×W19-4(5)-150,絲直徑4~5mm均可。鋼絲繩用繩卡(6KTH)固定,廣泛應用于機械、礦山、紡織、印刷、化工、冶金、輕工、閥門、電力、保安、鐵路、航天等各個行業。并具有常規的產品現貨,本產品Z、S型采用移動凸輪結構,當拉動任意一側拉繩時,便驅動凸輪,使開關動作轉換發出停機信號,1型采用自動復位,2型采用手動復位。雙向拉繩開關注意事項:1、接線聯接可靠,絕緣密封。2、拉繩開關安裝完畢后,兩側拉繩松緊適宜,撓度小,拉拉繩后,開關能可靠復位。,每隔3m左右安裝一個托環,以免鋼絲繩垂繞度過大,保證拉繩動作可靠。在滿足開關正常工作的前提下,盡可能拉緊繩索,減少鋼絲繩垂繞度。
3、對于爬坡段膠帶機,應盡量縮短開關間距,雙向拉繩開關安裝與接線1、拉繩開關成對安裝在膠帶機左右兩側,安裝支架與膠帶機中間架用螺栓,其位置應低于膠帶及便于現場工作人員使用。兩臺拉繩開關之間相距50m左右為宜。2、拉繩推薦采用覆塑鋼絲繩,(或普通鋼線繩1XW19-4(5)-150,絲直徑4-5mm均可)。絲繩用繩卡(6KTH)固定,每隔3m左右安裝一個托環,以免鋼絲繩繞度過大,保證拉繩動作可靠。在滿足開關正常工作的前提下,盡可能拉緊繩索,減少鋼絲繩垂度。3、對于爬坡段膠帶機,應盡量縮短開關間距,及拉繩長度。4、接線:拉繩開關出廠時配有長度1.2m四芯橡套電纜,芯線上配有1、2、3、4線號,其中1、2為常開接點,3、4為常閉接點。,及拉繩長度。
4、安裝:底座2-12孔與安裝支架用2-M10×40螺栓連接。
5、接線;拉繩開關出廠時配有長度1.2m四芯橡套電纜,芯線上配有1、2、3、4線號,其中1、2為常開接點,3、4為常閉接點。
YHL-I雙向拉繩開關,DLK2-15B-H拉繩開關俗稱“緊急停機開關”。作用于帶式輸送現場需要停機時,通過開關動作使輸送機停機。拉繩開關分為手動復位和自動復位兩種,需要達到國家規定IP等級。雙向拉繩開關自動復位:動作后后能自動回到初始位置,可能會造成誤差啟動。手動復位:動作后有自鎖裝置能保持在操作位置上,需要手動操作復位手柄可使其返回初始位置。拉繩開關是帶式輸送機必備的安全保護裝置,防止事故的擴大而帶來重大損失。雙向拉繩開關由于安裝方便,開關轉換可靠,在帶式運輸現場得到廣泛的應用. 雙向拉繩開關安裝和調整拉繩開關應安裝在輸送機兩邊具有檢修通道的地方,安裝位置應確保檢修人員在緊急情況下操作方便。,YHL-II雙向拉繩開關
HFKLT2-I,HFKLT2-II雙向拉繩開關
KLT2-1,KLT2-2雙向平衡拉繩開關
HFKPT1-12-30,KPT1-12-30兩級跑偏開關
HFKPT1-10-45,KPT1-10-45兩級跑偏開關
HFKPT1-20-35,KPT1-20-35兩級跑偏開關
H-I打滑開關,H-II打滑開關,H-III打滑
60-23P非接觸式打滑速度(欠速開關)
LL-I,LL-II料流
ZXK-1,ZXK-2,ZXK-3阻旋式料位/料位開關
LCS-1,LCS-2溜槽堵塞
ZXSL縱向撕裂(撕裂開關)
TBJ-100,TBJ-150聲光警示器
SPS-2拉繩開關
ROS-2跑偏開關
![]() |









