卓信GRB-15248-III皮帶機糾偏開關接線飼料廠跑偏開關生產
由于產品型號眾多,我司各種電氣規格型號齊全,有任何需求可以與我公司銷售人員聯系,生產各種規格型號的跑偏開關、拉繩開關、傾斜開關、打滑開關、失速開關、溜槽堵塞開關、聲光報警器、限位開關、磁性開關、撕裂開關、料流開關等產品,產品適用范圍廣,用途多,產品銷售國內外100多個國家和地區,銷售電話:15163766288(微信同號)
上海卓信GRB-15248-III皮帶機糾偏開關接線
接線方法
該產品配有1.5米六芯橡套電纜,芯線上配有標記號,用戶可根據線號接線,兩級跑偏開關適用范圍
兩級跑偏開關用于常規皮帶輸送機:地下、索道支撐皮帶輸送機:輪船裝卸系統;堆垛/取料輸送機;傾斜和梭式輸送機;起重機、挖掘機,起重臂限位:裙邊給料機/輸送機:重型極限開關檢測膠帶的跑偏量,是實現膠帶機控制的自動報警和停機的保護裝置。兩級跑偏開關廣泛用于冶金、煤炭、水泥建材、采礦、電力、港埠、冶金、化工等領域的各種帶式輸送設備。,其中:
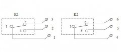
1、2為跑偏常開接點;
1、3為跑偏常閉接點;
4、5為二級跑偏常開接點;
4、6為二級跑偏常閉接點;

山東卓信GRB-15248-III皮帶機糾偏開關接線
帶式輸送機保護系列:兩級防偏開關、拉線開關、拉線開關、雙向拉繩開關、雙向平衡拉繩開關、縱向撕裂開關、速度、非接觸失速開關、非接觸式速度、微電腦速度監視器、料流檢測裝置、阻旋式料位、污水泵自動控制裝置、溜槽堵塞開關。帶式輸送機保護系列產品可增加地址編碼巡測功能。
結構特點說明:
通用的安裝設計可使防偏開關隨意安裝在輸送機縱梁頂部或底部
堅固的鑄鋁外殼,防護標準NEMA4,特殊的環境可選特殊的表面處理
整體式蓋板易于接線及調整
不需拆除動作桿就可拆掉蓋板
動作桿軸承額定轉速5000轉/分,輸送機在運行中,當皮帶跑偏且與開關立輥接觸時,立輥自轉,若跑偏量繼續加大,則擠壓立輥發生偏移。一級開關信號用于報警,如果將此信號與跑調整裝置相接,即可實現不停機狀態下的跑偏自動調整。二級兩級跑偏開關信號用于停機,將此信號接至控制線路中,即可實現重度跑偏狀態下的自動停機。當故障排除后,膠帶離開立輥正常運轉時,立輥可自動復位。,
兩級跑偏開關安裝和調整
1.跑偏開關設在輸送帶兩側,立輥應與輸送帶邊平面垂直,并使輸送帶兩邊位于立輥高度1/3處。
2.跑偏開關立輥與輸送帶正常位置的間距宜為50~100mm。
3.跑偏開關數量應根據輸送機長度、類型及布置情況進行確定。兩級跑偏開關一般應在輸送機頭部、尾部、凸弧段、凹弧段和在輸送機中間位置進行設置。(注:當輸送機較長時,在輸送機中間位置可每隔30~35米設1對)
4.跑偏開關應通過安裝支架與輸送機中間架連接,開關支架應在輸送機安裝完成后與輸送機機架焊接,跑偏開關與跑偏開關支架用螺栓固定。,適用皮帶速度可達6.35米/秒
動作桿法向角調節范圍為22.5⪚
法向夾角為10度時觸點動作,輸送機在運行中,當皮帶跑偏且與開關立輥接觸時,立輥自轉,若跑偏量繼續加大,則擠壓立輥發生偏移。一級開關信號用于報警,如果將此信號與跑調整裝置相接,即可實現不停機狀態下的跑偏自動調整。二級兩級跑偏開關信號用于停機,將此信號接至控制線路中,即可實現重度跑偏狀態下的自動停機。當故障排除后,膠帶離開立輥正常運轉時,立輥可自動復位。,法向夾角為之20度時停機觸點動作。

基本原理是:當輸送帶運行中出現跑偏時,輸送帶觸碰開關立輥并使立輥偏轉,當立輥偏轉角度達到1級開關角度時,開關發出信號。當輸送帶跑偏嚴重,達到2級開關角度時,開關發出停機信號,實現輸送帶跑偏故障自動停機。當跑偏故障排除后,膠帶機正常運轉時,開關立輥可自動復位,回到初始狀態。
BS30-BP-CN6X-H1141、BS30-BP-CP6X、BS30-BP-CP6X-H1141、BS30-E6X、BS30-E6X-H1141、BS30-F200-CN6X、BS30-F200-CP6X、BS30-F200-CP6X-H141、BS30-F400-CN6X、BS30-F400-CN6X-H1141、BS30-F400-CP6X、BS30-F400-CP6X-H1141、BS30-F600-CN6X、BS30-F600-CN6X-H1141、BS30-F600-CP6X、BS30-F600-CP6X-H141、BS30-R-CN6X、
拉繩開關ZX-LSPMIP65
TBA-2磁性開關
HFKLT2-I-Z雙向拉繩開關
拉繩開關 TQ 441-01-01 380V 4A
HFKCT2-11雙向拉繩開關
FKPT1-Ⅱ-Z 380V 10A (立輥)
帶式輸送機備件拉繩開關LXB-02GKK-T1-B
GRB-16090型限位開關GRB-16090-I、GRB-16090-II
GRB-17062型縱向撕裂
GRB-17088型雙向平衡拉繩開關
GRB-19150型雙向平衡拉繩開關
執行機構位置反饋開關BAPL312N
堵料開關 型號:S155-Y1G 螺紋式:G 11/2" 過程連接 延展 靴形 側裝 材質:304 AC220V
承德冀東
跑偏開關^HFKPT1-12-30
速度傳感器^KJT-KGZ-K15
聲光器;HQSG-46
YM-BISK/AC220V聲光警鈴
MB50-Q14-13X接近開關
SC速度傳感器、斷鏈檢測開關
速度打滑開關FYH-02IP67
磁性開關CXKB-47NOIP67
接近開關Ⅱ5321 ⅡE2015-FRKGIP67
![]() |








