耐高溫HRPK-12-30不銹鋼兩級跑偏開關接線飼料廠跑偏開關生產
由于產品型號眾多,我司各種電氣規格型號齊全,有任何需求可以與我公司銷售人員聯系,生產各種規格型號的跑偏開關、拉繩開關、傾斜開關、打滑開關、失速開關、溜槽堵塞開關、聲光報警器、限位開關、磁性開關、撕裂開關、料流開關等產品,產品適用范圍廣,用途多,產品銷售國內外100多個國家和地區,銷售電話:15163766288(微信同號)
卓信牌兩級跑偏開關HRPK-12-30直銷質量保證規格齊全熱銷各大電廠
福建卓信發耐高溫HRPK-12-30不銹鋼兩級跑偏開關接線
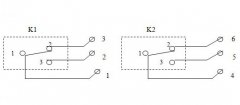
接線方法
該產品配有1.5米六芯橡套電纜,DDP-LJ2兩級跑偏開關適用于皮帶輸送機,能使皮帶輸送機在皮帶跑偏將導致嚴重掛邊磨損甚至發生撕裂事故前就發出報警信號以及進一步的自動停車。
能及時有效的保護設備安全、避免事故擴大化,達到保障生產、保護設備的目的。另外由于信號可發送至控制系統,方便實現工廠自動化控制,因此又可達到減員增效,集中控制,利于生產與調度的目的。,芯線上配有標記號,用戶可根據線號接線,其中:
1、2為跑偏常開接點;
1、3為跑偏常閉接點;
4、5為二級跑偏常開接點;
4、6為二級跑偏常閉接點;

上海榮現貨訂購耐高溫HRPK-12-30不銹鋼兩級跑偏開關接線
技術參數
極限角度:70度
觸點容量:AC380V
觸點數量:兩常開兩常閉
可靠性:>10度
復位方式:自動
防護等級:IP65
重量:3.5Kg
跑偏開關帶立輥是用于檢測帶式輸送機輸送帶跑偏量的產品,對于輸送帶在出現跑偏的情況下起到自動和停機的一種保護裝置。當運行中的膠帶發生跑偏時,膠帶邊緣帶動立輥旋轉并擠壓立輥傾斜大于動作角度時,立即發出組開關信號,如立輥繼續傾斜大于二級動作角度時,則輸出另一組開關信號,兩組開關信號可分別用于告警或停機,膠帶機恢復正常運行后,立輥自動復位。

山東卓信生產的
跑偏開關有兩級角度,一般常用的是:角度為:10、12、20.二級角度為:30、35、45。基本原理是:當輸送帶運行中出現跑偏時,輸送帶觸碰開關立輥并使立輥偏轉,當立輥偏轉角度達到1級開關角度時,開關發出信號。當輸送帶跑偏嚴重,達到2級開關角度時,開關發出停機信號,實現輸送帶跑偏故障自動停機。當跑偏故障排除后,膠帶機正常運轉時,開關立輥可自動復位,回到初始狀態。
購買山東卓信產品請認準G/卓信商標,產品有防偽標示,請注意購買卓信zheng品,使用方便,兩級跑偏開關通用的安裝設計可使跑偏檢測裝置隨意安裝在輸送機縱梁頂部或底部位置;封閉、防腐、堅固的鑄鋁外殼。防護標準IP65,可在惡劣環境長期工作;兩級跑偏開關不需要在拆除動作桿下,即可拆掉蓋板進行維修;進口動作桿軸承,可長時在轉速4000轉/分下運作;動作角度12°時報警觸點動作,動作角度30°時,即為停機信號輸出。,質量可靠。如有任何技術問題,請,跑偏開關起帶式輸送現場的保護作用,因此必須達到指定的IP防護等級。 兩級跑偏開關分兩個位置檢測輸送機皮帶的跑偏程度和扭曲程度。根據皮帶的跑偏程度和扭曲程度,實現自動報警和停機,避免昂貴的輸送皮帶受損壞及因皮帶扭曲造成的物料散落等事故。此開關安裝方便,運行可靠,是帶式輸送機必備的保護裝置之一。,您的寶貴意見,就是我們品質的進步,產品的創新!山東卓信力創YI 流的品質,YI流的品牌,輸送機在運行中,當皮帶跑偏且與開關立輥接觸時,立輥自轉,若跑偏量繼續加大,則擠壓立輥發生偏移。一級開關信號用于報警,如果將此信號與跑調整裝置相接,即可實現不停機狀態下的跑偏自動調整。二級兩級跑偏開關信號用于停機,將此信號接至控制線路中,即可實現重度跑偏狀態下的自動停機。當故障排除后,膠帶離開立輥正常運轉時,立輥可自動復位。,為廣大客戶提供更的產品,的服務!請放心購買!
所有版權為山東卓信電氣有限公司
兩級跑偏開關HRPK-12-30
CILM-AS-LS-QS;料位開關
防撕裂裝置ZL-B-2 1200、35皮帶寬度1200MM,傾角35度220V
防撕裂裝置ZL-B-2 800、45,皮帶寬度800MM,傾角45度
料位開關阻旋式RS-03A/L270MM
防爆磁開關KSJ-100常開 KSJ-100防爆磁開關常閉,防爆限位開關LL4A-12
Ni25-G47-AZ3X接近開關
TR18-8AC AC二線制常閉接近開關
F1-A限位開關
ZR236-11Z-M20限位開關
RS-10限位開關
ALIF接近開關AL-20R
接近開關XS1-M18FA264
接近開關XS2M30MA250
接近開關Ni15-M30-AP6X
光電開關;E3JM-S70M4-G;220V
E3JK-R4M1光電開關
接近開關XS530B1AL2
![]() |









