QJLP2-12-30膠帶跑偏開關水泥廠跑偏開關供應
由于產品型號眾多,我司各種電氣規格型號齊全,有任何需求可以與我公司銷售人員聯系,生產各種規格型號的跑偏開關、拉繩開關、傾斜開關、打滑開關、失速開關、溜槽堵塞開關、聲光報警器、限位開關、磁性開關、撕裂開關、料流開關等產品,產品適用范圍廣,用途多,產品銷售國內外100多個國家和地區,銷售電話:15163766288(微信同號)
QJLP2-12-30膠帶跑偏開關
一、概述
用于輸送機膠帶跑偏的檢測,防止由于膠帶跑偏而造成物料溢出等故障。本機廣泛應用于礦山、電力及化工等行業的運輸系統中。
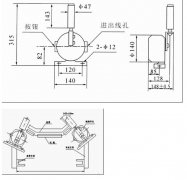
二、QJLP2-12-30膠帶跑偏開關工作原理
當運行中的膠帶發生跑偏現象時,膠帶邊緣帶動立棍旋轉并擠壓使之傾斜,若立棍傾斜角度大于動作角度時,開關發出一組開關信號,兩級跑偏開關適用范圍 兩級跑偏開關用于常規皮帶輸送機:地下、索道支撐皮帶輸送機:輪船裝卸系統;堆垛/取料輸送機;傾斜和梭式輸送機;起重機、挖掘機,起重臂限位:裙邊給料機/輸送機:重型極限開關檢測膠帶的跑偏量,是實現膠帶機控制的自動報警和停機的保護裝置。兩級跑偏開關廣泛用于冶金、煤炭、水泥建材、采礦、電力、港埠、冶金、化工等領域的各種帶式輸送設備。,跑偏開關(Belt Sway Switches)又稱防偏開關。兩級跑偏開關用于檢測帶式輸送機運行中的跑偏現象,按皮帶實際跑偏量輸出報警或停機信號,可有效的防止由皮帶跑偏而產生的事故。,如立棍繼續傾斜大于二級動作角度時則輸出另一組開關信號。兩組開關信號可分別用于告警或停機,兩級跑偏開關是我公司組織科研人員開發研制的新一代產品,可用于輸送機膠帶跑偏的檢測,防止由于膠帶跑偏而造成物料溢出等故障。是輸送機自動化控制不可缺少的傳感元件。 兩級跑偏開關由于安裝方便、開關性能可靠,在輸送機膠帶中得到廣泛應用。跑偏開關又稱防偏開關。 兩級跑偏開關用于檢測帶式輸送機運行中的跑偏現象,按皮帶實際跑偏量輸出報警或停機信號,可有效的防止由皮帶跑偏而產生的事故。 本系列兩級跑偏開關具有兩級動作功能。一級動作用于報警,二級動作用于自動停機。膠帶機在運行中,當膠帶跑偏且與本開關立輥接觸時,立輥自轉,若跑偏量繼續加大,則擠壓立輥發生偏移。 當立輥偏轉角度超過12°時,一級開關動作,輸出(報警信號)。 當立輥偏轉角度超過30°時,二級開關動作,輸出(停機信號)。 一級開關信號用于報警,如果將此信號與跑調整裝置相接,即可實現不停機狀態下的跑偏自動調整。 二級開關信號用于停機,將此信號接至控制線路中,即可實現重度跑偏狀態下的自動停機。 當故障排除后,膠帶離開立輥正常運轉時,立輥可自動復位。 兩級跑偏開關為了適應戶外條件下長期使用,本產品均采用整體密封,內部金屬零件進行鍍鋅純化處理,外部零件除殼體外均做多層光亮鍍鉻,殼體為鑄鋁制造,表面采用靜電噴涂技術處理,適宜在惡劣環境下使用。 ,膠帶機復位正常運行后,立棍自動復位。
三、結構特點 卓信現貨
采用鋁合金壓鑄殼體,強度高、重量輕。
機內采用進口的行程開關,觸點容量大、動作靈敏 可靠。
外殼防護等級達IP65,可在惡劣的環境中長期工作。
四、使用與安裝
將跑偏開關固定在支架上,然受在膠帶機架上;
立輥軸線與膠帶平面相垂直,立輥與膠帶邊緣距離L=50~100mm;
膠帶位于立輥下端1/3處;
每50m膠帶可安裝跑偏開關一對。

售后服務承諾:
1、服務宗旨:快速、果斷、準確、周到、徹底
2、服務目標:服務質量贏得用戶滿意
3、服務效率:保修期內或保修期外如設備出現故障,供方在接到通知后,與技術員協商或返廠維修。
我們的優勢:
1.快速反應:承諾以zui快的時間給予您詳細的報價說明及產品資料;承諾以zui短的時間為你量身定制你要求的產品
2.的產品和:我公司通過采購,大定量采購各種原材料等措施使降低了公司的成本,跑偏開關起帶式輸送現場的保護作用,因此必須達到指定的IP防護等級。 兩級跑偏開關分兩個位置檢測輸送機皮帶的跑偏程度和扭曲程度。根據皮帶的跑偏程度和扭曲程度,實現自動報警和停機,避免昂貴的輸送皮帶受損壞及因皮帶扭曲造成的物料散落等事故。此開關安裝方便,運行可靠,是帶式輸送機必備的保護裝置之一。,且保證產品且價廉,并切實將我公司的規模效應所獲得的優勢直接于客戶
3.貼心的服務:我公司所出售產品均享受部分有償服務。量大或者長期合作客戶更可成為我公司VIP客戶,享受更加實惠的和貴賓般的服務。
TBJ-100,TBJ-150聲光警示器
SPS-2拉繩開關
ROS-2跑偏開關
HQP-02GKH-AT1 雙向拉繩開關
CKJ7R磁性開關
KLT21雙向拉繩開關
RPK-2-JTH跑偏開關
EX09301防爆線圈
Em551091-MS電磁閥防爆線圈
Em551090-L電磁頭
防爆線圈EM551090-4M-310
KGE-Y(P)防爆磁感應開關
拉線開關HQLS-LXB,304不銹鋼
防腐拉繩開關(不銹鋼)MG135-T1-P-S
![]() |









