跑偏開關PP-EH/GS C:20-450V/10ADPP-EH/GS水泥廠跑偏開關供應
由于產品型號眾多,我司各種電氣規格型號齊全,有任何需求可以與我公司銷售人員聯系,生產各種規格型號的跑偏開關、拉繩開關、傾斜開關、打滑開關、失速開關、溜槽堵塞開關、聲光報警器、限位開關、磁性開關、撕裂開關、料流開關等產品,產品適用范圍廣,用途多,產品銷售國內外100多個國家和地區,銷售電話:15163766288(微信同號)
跑偏開關PP-EH/GS C:20-450V/10A
跑偏開關PP-EH/GS C:20-450V/10A主要應用在冶金、電力、煤巖、礦山及化工等行業的輸送系統中,是輸送機自動化控制不可缺少的傳感元件,本產品可用于輸送機膠帶跑偏的檢測,本產品可用于輸送機膠帶跑偏的檢測,防止由于膠帶跑偏而造成物料溢出等故障。
本產品選用鋁壓鑄處殼具有防水、防灰、防震等優點,安裝方便、開關性能可靠,在輸送機膠帶中廣泛應用。
用途:
兩級跑偏保護功能,跑偏做警示信號可接入自動調整裝置,用于校正膠帶的偏離和扭曲。二級跑偏做停機信號,DDP-LJ2兩級跑偏開關適用于皮帶輸送機,能使皮帶輸送機在皮帶跑偏將導致嚴重掛邊磨損甚至發生撕裂事故前就發出報警信號以及進一步的自動停車。 能及時有效的保護設備安全、避免事故擴大化,達到保障生產、保護設備的目的。另外由于信號可發送至控制系統,方便實現工廠自動化控制,因此又可達到減員增效,集中控制,利于生產與調度的目的。,將其接至控制線路中,即可實現停機。
跑偏開關(Belt Sway Switches)又稱防偏開關。是用于檢測帶式輸送機輸送帶跑偏量的產品,對于輸送帶在出現跑偏的情況下起到自動警示和停機的一種保護裝置。
跑偏開關有兩級角度,一般常用的是:角度為:10、12、20.二級角度為:30、35、45.
適用范圍
兩級跑偏開關用于常規皮帶輸送機:地下、索道支撐皮帶輸送機:輪船裝卸系統;堆垛/取料輸送機;傾斜和梭式輸送機;起重機、挖掘機,起重臂限位:裙邊給料機/輸送機:重型極限開關檢測膠帶的跑偏量,是實現膠帶機控制的自動警示和停機的保護裝置。廣泛用于冶金、煤炭、水泥建材、采礦、電力、港埠、冶金、化工等領域的各種帶式輸送設備。
基本原理
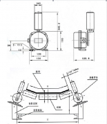
1.跑偏開關設在輸送帶兩側,立輥應與輸送帶邊平面垂直,并使輸送帶兩邊位于立輥高度1/3處。
2.跑偏開關立輥與輸送帶正常位置的間距宜為50~100mm。
3.跑偏開關數量應根據輸送機長度、類型及布置情況進行確定。一般應在輸送機頭部、尾部、凸弧段、凹弧段和在輸送機中間位置進行設置。(注:當輸送機較長時, 兩級跑偏開關安裝和調整 1.跑偏開關設在輸送帶兩側,立輥應與輸送帶邊平面垂直,并使輸送帶兩邊位于立輥高度1/3處。 2.跑偏開關立輥與輸送帶正常位置的間距宜為50~100mm。 3.跑偏開關數量應根據輸送機長度、類型及布置情況進行確定。兩級跑偏開關一般應在輸送機頭部、尾部、凸弧段、凹弧段和在輸送機中間位置進行設置。(注:當輸送機較長時,在輸送機中間位置可每隔30~35米設1對) 4.跑偏開關應通過安裝支架與輸送機中間架連接,開關支架應在輸送機安裝完成后與輸送機機架焊接,跑偏開關與跑偏開關支架用螺栓固定。,在輸送機中間位置可每隔30~35米設1對)
4.跑偏開關應通過安裝支架與輸送機中間架連接,開關支架應在輸送機安裝完成后與輸送機機架,跑偏開關與跑偏開關支架用螺栓固定。
使用環境條件:
1.環境溫度:-40℃~60℃
2.相對濕度不大于85
3.海撥高度不超過2000m
4.使用壽命:開關動作10萬次
5.絕緣電壓:AC1000試驗1分鐘
6.觸點容量:≤AC380 ≤
我們的經營宗旨:
以質量求生存,以信譽求發展,輸送機在運行中,當皮帶跑偏且與開關立輥接觸時,立輥自轉,若跑偏量繼續加大,則擠壓立輥發生偏移。一級開關信號用于報警,如果將此信號與跑調整裝置相接,即可實現不停機狀態下的跑偏自動調整。二級兩級跑偏開關信號用于停機,將此信號接至控制線路中,即可實現重度跑偏狀態下的自動停機。當故障排除后,膠帶離開立輥正常運轉時,立輥可自動復位。,不斷超越顧客的期望和要求,
將是我們卓信不懈追求的目標!
真誠地為顧客提供的產品和滿意的服務,
誠邀客商真誠合作、互惠互利,攜手共創美好未來。
免費服務
1、售前對客戶現場工況進行產品推薦,提供選型。
2、售中提供免費的安裝調試指導。
3、售后問題開通綠色通道,兩級跑偏開關適用范圍 兩級跑偏開關用于常規皮帶輸送機:地下、索道支撐皮帶輸送機:輪船裝卸系統;堆垛/取料輸送機;傾斜和梭式輸送機;起重機、挖掘機,起重臂限位:裙邊給料機/輸送機:重型極限開關檢測膠帶的跑偏量,是實現膠帶機控制的自動報警和停機的保護裝置。兩級跑偏開關廣泛用于冶金、煤炭、水泥建材、采礦、電力、港埠、冶金、化工等領域的各種帶式輸送設備。,跟技術工程師直線交流,排除故障。
雙向拉繩開關KLF2-2 廠價直銷,現貨,咨詢訂購。
售前免費咨詢 雷帆
公司將一如既往秉著人和、禮貌、忠誠、努力、創新的經營理念為宗旨.打好品牌戰略.服務客戶。
人和:以人為本,建立客戶與公司的雙贏局面。
禮貌:以親善有禮作為服務的zui高指導原則,為企業提高整體形象。
忠誠:激發全體員工的向心力,建立精神的服務團隊。
努力:隨時強化員工的在職學能,提升企業的競爭能力。
創新:跟隨用戶及市場變化要求,不斷提高產品層次
拉繩開關LX-EH/BX(C:20-450V 10A)[卓信牌}
跑偏開關PP-EH/GS(C:20-450V 10A)【現貨】
拉線開關ELAW-31,AC250V
KLT2-II拉繩開關用途【現貨】
KPT1-20-35跑偏開關【現貨】
XT-SS-2 打滑開關
拉繩開關HFKLT2-Ⅱ-S4
事故開關LA38-11MXS/r;220V
HFKLT2&nash;Ⅱ型雙向拉繩開關
BF-LS-30T拉繩開關
FGE-30T拉繩開關
輸煤皮帶使用拉繩開關SPS-2
YHFLS-Z電廠專用拉繩開關
FKLT2-Ⅱ拉繩開關
SPS-2-FM防爆拉繩開關
YHL-IIA雙向拉繩開關
HFKPT1-20-35皮帶跑偏開關
HFKPT1-12-30跑偏開關
![]() |









