HFKPT2-20-35防爆跑偏開關 價廉防爆防騙開關廠家
由于產品型號眾多,我司各種電氣規格型號齊全,有任何需求可以與我公司銷售人員聯系,生產各種規格型號的跑偏開關、拉繩開關、傾斜開關、打滑開關、失速開關、溜槽堵塞開關、聲光報警器、限位開關、磁性開關、撕裂開關、料流開關等產品,產品適用范圍廣,用途多,產品銷售國內外100多個國家和地區,銷售電話:15163766288(微信同號)
HFKPT2系列兩級跑偏開關系我公司組織科研人員開發研制的新一代產品,可用于輸送機膠帶跑偏的檢測,防止由于膠帶跑偏而造成物料溢出等故障。是輸送機自動化控制不可缺少的傳感元件。本產品由于安裝方便、開關性能可靠,在輸送機膠帶中廣泛應用。
一、主要用途及適用范圍
HFKPT2系列兩級跑偏開關系我公司組織科研人員開發研制的新一代產品,可用于輸送機膠帶跑偏的檢測,防止由于膠帶跑偏而造成物料溢出等故障。是輸送機自動化控制不可缺少的傳感元件。本產品由于安裝方便、開關性能可靠,在輸送機膠帶中廣泛應用。
二、技術性能和主要參數
產品型號 HFKPT1―□―□ 開關觸點數量
1級為常開、2級為常閉 觸點容量 AC 220V 380V ≤
開關動作角度
1級:10⪚ 12⪚ 20⪚; 2級:30⪚ 35⪚ 45⪚ ; 極限角度≤60⪚ 工作環境 相對濕度:≤90(25℃);海拔高度:2000M;工作溫度:-30~+40℃
外殼材料 鋁 防護等級 IP65 重量(kg) 2.0
接口方式
單出線口,也可定做雙出線口。
三、結構特點 卓信HFKPT2-20-35防爆跑偏開關 價廉
1.本產品采用鋁合金鑄造殼體、強度高、重量輕。 2.外殼防護等級達到IP65,可在惡劣環境下長期工作。 3.本產品動作靈敏、穩定性高、性能可靠,DDP-LJ2兩級跑偏開關適用于皮帶輸送機,能使皮帶輸送機在皮帶跑偏將導致嚴重掛邊磨損甚至發生撕裂事故前就發出報警信號以及進一步的自動停車。
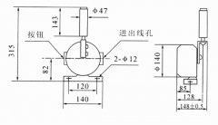
能及時有效的保護設備安全、避免事故擴大化,達到保障生產、保護設備的目的。另外由于信號可發送至控制系統,方便實現工廠自動化控制,因此又可達到減員增效,集中控制,利于生產與調度的目的。,外形結構參見下圖。
四、工作原理
當膠帶運輸機現場發生緊急事故時,兩級跑偏開關適用范圍 兩級跑偏開關用于常規皮帶輸送機:地下、索道支撐皮帶輸送機:輪船裝卸系統;堆垛/取料輸送機;傾斜和梭式輸送機;起重機、挖掘機,起重臂限位:裙邊給料機/輸送機:重型極限開關檢測膠帶的跑偏量,是實現膠帶機控制的自動報警和停機的保護裝置。兩級跑偏開關廣泛用于冶金、煤炭、水泥建材、采礦、電力、港埠、冶金、化工等領域的各種帶式輸送設備。, 兩級跑偏開關安裝和調整 1.跑偏開關設在輸送帶兩側,立輥應與輸送帶邊平面垂直,并使輸送帶兩邊位于立輥高度1/3處。 2.跑偏開關立輥與輸送帶正常位置的間距宜為50~100mm。 3.跑偏開關數量應根據輸送機長度、類型及布置情況進行確定。兩級跑偏開關一般應在輸送機頭部、尾部、凸弧段、凹弧段和在輸送機中間位置進行設置。(注:當輸送機較長時,在輸送機中間位置可每隔30~35米設1對) 4.跑偏開關應通過安裝支架與輸送機中間架連接,開關支架應在輸送機安裝完成后與輸送機機架焊接,跑偏開關與跑偏開關支架用螺栓固定。,可拉動系于擺臂上的鋼絲繩,使擺臂旋轉而帶動機內凸輪并感應微動開關,發出停機信號。
五、安裝調整
1.將跑偏開關固定在支架上,然后安裝在膠帶機上。
2.立輥線與膠帶平面垂直,邊緣距離為L=50~100mm(殼體安裝孔可移位。) 3.立輥下端1/3處。
4.每100m膠帶可安裝跑偏開關3對(6臺)詳見下圖。
六、產品安裝使用注意事項
1.產品外殼設有接地端子,用戶在安裝使用時可靠接地。 2.安裝現場應不存在對鋁合金有腐蝕作用的有毒氣體。 3.產品的維修在場所進行,安裝說明 1、兩級跑偏開關底座兩邊各有Ф12mm孔,在皮帶機旁角鐵架鉆Ф12mm孔,用M10×30mm螺絲緊固跑偏開關。 2、安裝跑偏開關應選擇輸送裝置易出現跑偏的位置處安裝,參考應用單位工藝要求,同時要考慮皮帶與擋輪的有效間距和推力,建議皮帶與檔輪間的安裝距離為120-160mm。 3、安裝距離:建議每50米安裝一對跑偏開關。 4、跑偏開關出廠時配有長度0.5米四芯橡套電纜,芯線上配有1、2、3、4線號,其中1、2為常開接點是一級報警信號,3、4為常閉接點是二級停機信號。,或當現場確認無可燃性粉塵存在時方可進行。 4.本拉繩開關外殼保持清潔,粉塵堆積厚度不大于3mm。
七、訂貨須知
1、注明型號、數量、供貨日期。 2、對開關觸點數量有特殊要求時應予以注明。 3、覆塑鋼絲繩及繩夾子、托繩環、安裝支架。需單獨訂購。 注:訂購時應予以注明。
礦用HFKPT2-20-35防爆跑偏開關 價廉
皮帶跑偏開關HFKPT2-20-35防爆跑偏開關 價廉
行程開關盒FJK-110LE-HXJSN
TLS-ZR雙向拉繩開關
TLS-I雙向拉繩開關
TLS-II雙向拉繩開關
FLK-Ⅱ雙向拉繩開關
雙向拉繩開關NTZH_9SLS-321
雙向拉繩開關PJZS-3145S/2
拉繩開HFKLT2-II
雙向拉繩開關S170-T-2
兩級跑偏KPT2-Ⅱ
跑偏開關GML-KT360H/GS
拉繩開關GML-KT220H/GL
![]() |








