YKPP兩級跑偏開關,HR各種型號化肥廠防偏開關
由于產品型號眾多,我司各種電氣規格型號齊全,有任何需求可以與我公司銷售人員聯系,生產各種規格型號的跑偏開關、拉繩開關、傾斜開關、打滑開關、失速開關、溜槽堵塞開關、聲光報警器、限位開關、磁性開關、撕裂開關、料流開關等產品,產品適用范圍廣,用途多,產品銷售國內外100多個國家和地區,銷售電話:15163766288(微信同號)
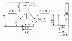
兩級跑偏開關主要應用在冶金、電力、煤巖、礦山及化工等行業的輸送系統中,安裝說明 1、兩級跑偏開關底座兩邊各有Ф12mm孔,在皮帶機旁角鐵架鉆Ф12mm孔,用M10×30mm螺絲緊固跑偏開關。 2、安裝跑偏開關應選擇輸送裝置易出現跑偏的位置處安裝,參考應用單位工藝要求,同時要考慮皮帶與擋輪的有效間距和推力,建議皮帶與檔輪間的安裝距離為120-160mm。 3、安裝距離:建議每50米安裝一對跑偏開關。 4、跑偏開關出廠時配有長度0.5米四芯橡套電纜,芯線上配有1、2、3、4線號,其中1、2為常開接點是一級報警信號,3、4為常閉接點是二級停機信號。,是輸送機自動化控制不可缺少的傳感元件,本產品可用于輸送機膠帶跑偏的檢測,防止由于膠帶跑偏而造成物料溢出等故障。本產品選用鋁壓鑄處殼具有防水、防灰、防震等優點,安裝方便、開關性能可靠, 兩級跑偏開關安裝和調整 1.跑偏開關設在輸送帶兩側,立輥應與輸送帶邊平面垂直,并使輸送帶兩邊位于立輥高度1/3處。 2.跑偏開關立輥與輸送帶正常位置的間距宜為50~100mm。 3.跑偏開關數量應根據輸送機長度、類型及布置情況進行確定。兩級跑偏開關一般應在輸送機頭部、尾部、凸弧段、凹弧段和在輸送機中間位置進行設置。(注:當輸送機較長時,在輸送機中間位置可每隔30~35米設1對) 4.跑偏開關應通過安裝支架與輸送機中間架連接,開關支架應在輸送機安裝完成后與輸送機機架焊接,跑偏開關與跑偏開關支架用螺栓固定。,在輸送機膠帶中廣泛應用。YKPP兩級跑偏開關,HR各種型號
用途:兩級跑偏保護功能,跑偏做警示信號可接入自動調整裝置,用于校正膠帶的偏離和扭曲。二級跑偏做停機信號,將其接至控制線路中,即可實現停機。
跑偏開關(Belt Sway Switches)又稱防偏開關。是用于檢測帶式輸送機輸送帶跑偏量的產品,對于輸送帶在出現跑偏的情況下起到自動警示和停機的一種保護裝置。
跑偏開關有兩級角度,一般常用的是:角度為:10、12、20.二級角度為:30、35、45.
適用范圍
兩級跑偏開關用于常規皮帶輸送機:地下、索道支撐皮帶輸送機:輪船裝卸系統;堆垛/取料輸送機;傾斜和梭式輸送機;起重機、挖掘機,輸送機在運行中,當皮帶跑偏且與開關立輥接觸時,立輥自轉,若跑偏量繼續加大,則擠壓立輥發生偏移。一級開關信號用于報警,如果將此信號與跑調整裝置相接,即可實現不停機狀態下的跑偏自動調整。二級兩級跑偏開關信號用于停機,將此信號接至控制線路中,即可實現重度跑偏狀態下的自動停機。當故障排除后,膠帶離開立輥正常運轉時,立輥可自動復位。,起重臂限位:裙邊給料機/輸送機:重型極限開關檢測膠帶的跑偏量,是實現膠帶機控制的自動警示和停機的保護裝置。廣泛用于冶金、煤炭、水泥建材、采礦、電力、港埠、冶金、化工等領域的各種帶式輸送設備。
基本原理
1.跑偏開關設在輸送帶兩側,立輥應與輸送帶邊平面垂直,跑偏開關(Belt Sway Switches)又稱防偏開關。兩級跑偏開關用于檢測帶式輸送機運行中的跑偏現象,按皮帶實際跑偏量輸出報警或停機信號,可有效的防止由皮帶跑偏而產生的事故。,并使輸送帶兩邊位于立輥高度1/3處。
2.跑偏開關立輥與輸送帶正常位置的間距宜為50~100mm。
3.跑偏開關數量應根據輸送機長度、類型及布置情況進行確定。一般應在輸送機頭部、尾部、凸弧段、凹弧段和在輸送機中間位置進行設置。(注:當輸送機較長時,在輸送機中間位置可每隔30~35米設1對)
4.跑偏開關應通過安裝支架與輸送機中間架連接,開關支架應在輸送機安裝完成后與輸送機機架,跑偏開關與跑偏開關支架用螺栓固定。
YKPP兩級跑偏開關,HR各種型號 ,卓信跑偏開關生產,跑偏開關加工
,質量保證低,量大價優
,防偏開關、型號及規格



使用環境條件:
1.環境溫度:-40℃~60℃
2.相對濕度不大于85
3.海撥高度不超過2000m
4.使用壽命:開關動作10萬次
5.絕緣電壓:AC1000試驗1分鐘
6.觸點容量:≤AC380 ≤
![]() |








