礦用防爆電磁鎖S-30-I安裝尺寸全網優惠價格
由于產品型號眾多,我司各種電氣規格型號齊全,有任何需求可以與我公司銷售人員聯系,生產各種規格型號的跑偏開關、拉繩開關、傾斜開關、打滑開關、失速開關、溜槽堵塞開關、聲光報警器、限位開關、磁性開關、撕裂開關、料流開關等產品,產品適用范圍廣,用途多,產品銷售國內外100多個國家和地區,銷售電話:15163766288(微信同號)
礦用防爆電磁鎖S-30-I安裝尺寸,防爆電磁鎖為一般礦用型結構,防護等級為 IP54,其置鎖,解鎖動作速度快,行程大,可靠性 高,性能穩定,抗砸強度好,工作電壓范圍廣且為間斷式瞬間性工作臺,耗電極省,同時它使用時勿需改變礦原來的工作方式,還可直接使用礦井的127伏、220伏交流電壓,安裝、使用、維修亦極方便。
二、 型號含義
三、技術參數
防爆電磁鎖的技術指標
a、工作電壓:127V 220V AC ;
b、額定頻率:50Hz;
c、主鎖工作電流:0. 解鎖;
付鎖工作電流:0.3 置鎖;
額定行程: 30mm;
操作次數:500次/小時;
額定動作時間:2分鐘。
防爆電磁鎖的使用環境條件
a、海拔高度不超過2000m;
b、工作環境溫度-20℃40℃;
c、周圍環境溫度為25℃時,zui大相對濕度為95&plun;3;
、在無劇烈顛簸振動及與垂直平面傾斜度不超過5⪚;
e、在無甲烷和煤塵的場合;
f、沒有導電塵埃及足以能腐蝕金屬和破壞絕緣的氣體場合;
g、無直接淋水的場合。
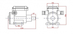
礦用防爆電磁鎖S-30-I 安裝尺寸
四、 防爆電磁鎖的外形及安裝尺寸
圖1-1外形及安裝尺寸
五、防爆電磁鎖的工作原理及電氣接線
(1)工作原理
S-30-1型電磁鎖采用特殊結構,主鎖副鎖組成圈繞組,當主鎖解鎖信號時,產生強磁場吸引主鎖芯后,由副鎖將其鎖住,實現解鎖功能,當副線圈置鎖信號時,吸引副鎖芯,主鎖芯自動釋放,實現置鎖功能。
(2)電氣接線
電磁鎖接線盒中有四個接線端子,如圖1-2所示,接線時電纜穿過嗽叭口,解鎖信號線接在接線端子1,2的接線柱上。置鎖信號線接在接線端子3,4的接線柱上。礦用防爆電磁鎖S-30-I安裝尺寸如下圖
圖1-2
六、 選型表
表1-1 S-30系列電磁鎖選型
型號
工作電壓
主鎖工作電流
付鎖工作電流
額定行程
S-30-127
127V
0.8
0.48A
30mm
S-30-220
220V
0.8A
0.4A
30mm
七、使用注意事項:
1、安裝使用時,應將電磁鎖鎖頭垂直朝下。
2、電磁鎖和鎖槽的相對安裝位置以電磁鎖鎖頭進入鎖槽15-20mm深度為宜,且鎖頭應處于鎖槽的。
3、引入電磁鎖接線腔的電纜外徑宜先用ø8-ø12mm四芯電纜線。
4、本電磁鎖為間斷式工作,不可長期帶動,以免燒毀。
5、電磁鎖需檢修時,應先斷電開蓋。
礦用防爆電磁鎖S-30-I多少
,
礦用防爆電磁鎖S-30-I生產商
買家必讀
收到貨時,無論包裝是否破損,務必當面檢查物品是否完好及缺少,有任何問題,立即與我取得。
本公司承諾:誠信待人,我們是生產,做的是發生意,均以出廠報價,沒有暴利。低價位,高品質。1年品質保證。
物流:順豐速運、申通快遞、圓通快遞、中通快遞、天天快運、EMS郵政速運及公鐵聯運。
購買需知:
本公司上傳產品型號規格有限,產品型號規格有多種,詳情請來電資詢。
產品質量承諾:
1、 產品的制造和檢測均有質量記錄和檢測資料。
2、 對產品性能的檢測,我們誠請用戶親臨對產品進行全過程、全性能檢查,待產品被確認合格后再裝箱發貨。
產品承諾:
1、為了保證產品的高可靠性和性,生產的產品選材均選用進口品牌。
2、在同等競爭條件下,我公司在不以降低產品技術性能、更改產品部件為代價的基礎上,真誠以合理的提供給貴方。
交貨期承諾:
產品交貨期:一般常規格產品,,特殊產品需定制,按用戶來樣或圖片參數要求定制,若有特殊要求,需提前完工的,我公司可特別組織生產、安裝,力爭滿足用戶需求。
![]() |





