煤礦門防爆電磁鎖HD-954全網優惠價格
由于產品型號眾多,我司各種電氣規格型號齊全,有任何需求可以與我公司銷售人員聯系,生產各種規格型號的跑偏開關、拉繩開關、傾斜開關、打滑開關、失速開關、溜槽堵塞開關、聲光報警器、限位開關、磁性開關、撕裂開關、料流開關等產品,產品適用范圍廣,用途多,產品銷售國內外100多個國家和地區,銷售電話:15163766288(微信同號)
煤礦門防爆電磁鎖H-954
煤礦門防爆電磁鎖H-954,化工專用防爆電磁鎖
H-954防爆電磁鎖為一般礦用型結構,防護等級為 IP54,其置鎖,解鎖動作速度快,行程大,可靠性 高,性能穩定,抗砸強度好,工作電壓范圍廣且為間斷式瞬間性工作臺,耗電極省,同時它使用時勿需改變礦原來的工作方式,還可直接使用礦井的127伏、220伏交流電壓,安裝、使用、維修亦極方便。
H-954要適用于煤礦礦井無瓦斯噴出的井口門閉鎖裝置中,作為閉鎖裝置的執行機構,實行門置鎖功能。還可用于煤礦井下無瓦斯噴出的井下配電峒室的閉鎖,使用架線電機車運輸的巷道及沿該巷道的主要機電峒室等處的井門閉鎖。亦可單獨使用。
售前服務
一、 提供技術咨詢:我們會在zui快的時間以內,根據您的需要為您提供任何技術及方面的咨詢、并且郵寄相關樣品及產品資料,或者及時對于您所關心的任何問題給予快速回復等等。
二、提供考察接待:我們歡迎您隨時隨地蒞臨公司現場考察,并為您提供任何便利條件
售中服務
一、 無論您是國外的客戶還是國內的客戶,無論您是我們的老客戶還是我們的新朋友,無論您的合同經額是大還是小,我們都將誠信、公平、熱情、嚴謹地同一對待;
二、 我們保證守時、保質、保量地嚴格執行合同規定的各項條款,并且為客戶提供的服務等。
售后服務
我們建立了售后服務信息處理系統,24小時跟蹤客戶。
一、 自購買之日起,提供各種技術培訓。
二、 物流:順豐快遞、德邦物流等
運費說明
物流:順豐快遞、德邦物流。目的地:
技術參數
防爆電磁鎖的技術指標
a、工作電壓:127V 220V AC ;
b、額定頻率:50Hz;
c、主鎖工作電流:0. 解鎖;
付鎖工作電流:0.3 置鎖;
額定行程: 30mm;
操作次數:500次/小時;
額定動作時間:2分鐘。
防爆電磁鎖的使用環境條件
a、海拔高度不超過2000m;
b、工作環境溫度-20℃40℃;
c、周圍環境溫度為25℃時,zui大相對濕度為95&plun;3;
、在無劇烈顛簸振動及與垂直平面傾斜度不超過5⪚;
e、在無甲烷和煤塵的場合;
f、沒有導電塵埃及足以能腐蝕金屬和破壞絕緣的氣體場合;
g、無直接淋水的場合。
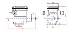
防爆電磁鎖的外形及安裝尺寸

圖1-1外形及安裝尺寸
防爆電磁鎖的工作原理及電氣接線
(1)工作原理
S-30-1型電磁鎖采用特殊結構,主鎖副鎖組成圈繞組,當主鎖解鎖信號時,產生強磁場吸引主鎖芯后,由副鎖將其鎖住,實現解鎖功能,當副線圈置鎖信號時,吸引副鎖芯,主鎖芯自動釋放,實現置鎖功能。
(2)電氣接線
電磁鎖接線盒中有四個接線端子,如圖1-2所示,接線時電纜穿過嗽叭口,解鎖信號線接在接線端子1,2的接線柱上。置鎖信號線接在接線端子3,4的接線柱上。

圖1-2
選型表
表1-1 S-30系列電磁鎖選型
型號
工作電壓
主鎖工作電流
付鎖工作電流
額定行程
S-30-127
127V
0.8
0.48A
30mm
S-30-220
220V
0.8A
0.4A
30mm
使用注意事項:
1、安裝使用時,應將電磁鎖鎖頭垂直朝下。
2、電磁鎖和鎖槽的相對安裝位置以電磁鎖鎖頭進入鎖槽15-20mm深度為宜,且鎖頭應處于鎖槽的。
3、引入電磁鎖接線腔的電纜外徑宜先用ø8-ø12mm四芯電纜線。
4、本電磁鎖為間斷式工作,不可長期帶動,以免燒毀。
5、電磁鎖需檢修時,應先斷電開蓋。
![]() |





